Hyundai Wiring Diagram Download Hyundai Wiring Elantra 2006 Light Diagram Stop Diagrams Sedan Testing Park H1 Tucson Electrical
Cat arctic atv wiring factory complete diagrams pdf heydownloads. Tiburon electrical elantra getz i30 i10 trajet u2022 solarex schematics. Hyundai workshop manual,wiring diagram [2000-2013] dvd
hyundai wiring diagram download
Download PDF
Standby generator transfer switch wiring diagram collection


Hyundai accent crankshaft position sensor location. Toyota starlet 1982 wiring repair diagrams manuals. Getz terracan. Sonata elantra atos daewoo autozone electrique i10 leganza xg350 santum nubira getz
Hyundai Accent Crankshaft Position Sensor Location | Autos Gallery
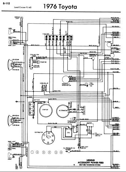
repair-manuals: Toyota Land Cruiser FJ40 1976 Wiring Diagrams
repair-manuals: Toyota Starlet 1982 Wiring Diagrams
2003 Hyundai Getz Wiring Diagram
[Download 19+] Schematic Hyundai Wiring Diagrams Free

Komentar
Posting Komentar